Search for:
Toggle navigation
应用
材料科学
钢铁及合金
陶瓷及硬质涂层
玻璃
聚合物及复合材料
土木工程和建筑材料
木材,纺织品及纸张
生命科学
生物医学工程
细胞&组织形态学
微生物学
制药技术
植物和动物科学
亚细胞分析
环境和食品科学
半导体和微电子
集成电路的失效分析
线路修补
球栅阵列
硅通孔
引线焊接
显示器
微机电系统
电池
地球科学
岩石学 & 矿物学
古生物学
矿物加工
石油 & 天然气
废物回收
产品
SEM
TESCAN CLARA
TESCAN MAGNA
TESCAN MIRA
TESCAN VEGA
FIB-SEM
TESCAN SOLARIS
TESCAN SOLARIS X
TESCAN AMBER
TESCAN AMBER X
X 射线显微镜系统
CoreTOM
DynaTOM
UniTOM HR
定制化方案
TIMA-X 综合矿物分析仪
TESCAN SEM / FIB-SEM 集成拉曼一体化显微镜
自动进样系统
MIRA3 AMU
探测器
二次电子探测器
背散射电子探测器
电子束减速技术
电子背散射衍射
扫描透射探测器
阴极荧光探测器
低真空二次电子探测器
电子束感生电流
X 射线谱仪
二次离子探测器
飞行时间 - 二次离子质谱
附件
电脑控制的优中心样品台
控制面板
气体注入系统
等离子清洗器
帕尔贴制冷/加热样品台
束闸
样品交换仓
样品台导航相机系统
纳米机械手
电荷中和枪
摇摆样品台
XM 和 GM 型扩展样品仓
软件
DrawBeam 软件
关于 TESCAN
新闻
联系我们
Tescan
/
应用
/
材料科学
/
陶瓷及硬质涂层
陶瓷及硬质涂层
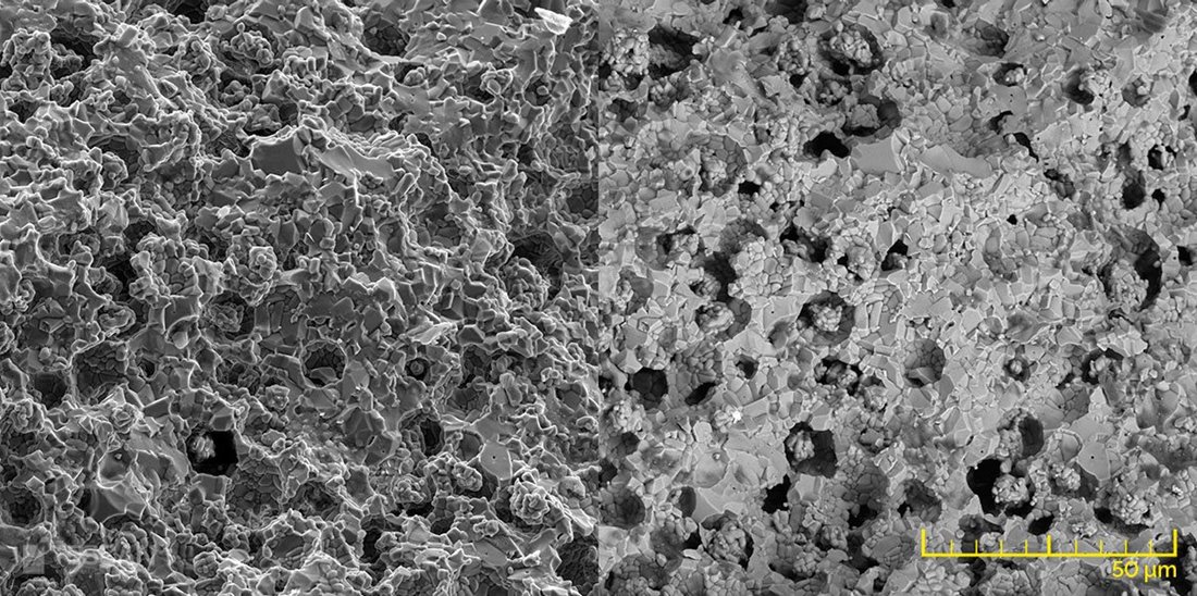
未镀膜和不导电的样品可以在可变真空模式下观察,避免损伤样品。在某些情况下,陶瓷材料能够解决传统材料所不能解决的技术问题。
陶瓷可以分为以下几类:氧化物陶瓷(包含主要由金属氧化物组成的材料,例如氧化铝、氧化锆、和二氧化铈等);非氧化物陶瓷(基于碳化物、氮化物、硼化物和硅酸盐的材料);复合陶瓷(包括颗粒和纤维增强陶瓷,以及氧化物和非氧化物陶瓷的组合。
先进陶瓷涉及技术陶瓷、工程陶瓷和工业陶瓷。
陶瓷材料耐磨,并且有非常好的力学、电学和热特性。
先进陶瓷在汽车、医药、电气、电子等行业有着广泛的应用。
TESCAN 场发射扫描电镜是在高分辨下研究陶瓷结构的理想工具。
扫描电镜可以使用减速模式来实现超低着陆电压下的高分辨成像,从而使研究人员获取完美的样品微观结构的图像。
Al
2
O
3
– 细节(BSE 探测器)
如果您感兴趣,请联系我们!