Search for:
Toggle navigation
应用
材料科学
钢铁及合金
陶瓷及硬质涂层
玻璃
聚合物及复合材料
土木工程和建筑材料
木材,纺织品及纸张
生命科学
生物医学工程
细胞&组织形态学
微生物学
制药技术
植物和动物科学
亚细胞分析
环境和食品科学
半导体和微电子
集成电路的失效分析
线路修补
球栅阵列
硅通孔
引线焊接
显示器
微机电系统
电池
地球科学
岩石学 & 矿物学
古生物学
矿物加工
石油 & 天然气
废物回收
产品
SEM
TESCAN CLARA
TESCAN MAGNA
TESCAN MIRA
TESCAN VEGA
FIB-SEM
TESCAN SOLARIS
TESCAN SOLARIS X
TESCAN AMBER
TESCAN AMBER X
X 射线显微镜系统
CoreTOM
DynaTOM
UniTOM HR
定制化方案
TIMA-X 综合矿物分析仪
TESCAN SEM / FIB-SEM 集成拉曼一体化显微镜
自动进样系统
MIRA3 AMU
探测器
二次电子探测器
背散射电子探测器
电子束减速技术
电子背散射衍射
扫描透射探测器
阴极荧光探测器
低真空二次电子探测器
电子束感生电流
X 射线谱仪
二次离子探测器
飞行时间 - 二次离子质谱
附件
电脑控制的优中心样品台
控制面板
气体注入系统
等离子清洗器
帕尔贴制冷/加热样品台
束闸
样品交换仓
样品台导航相机系统
纳米机械手
电荷中和枪
摇摆样品台
XM 和 GM 型扩展样品仓
软件
DrawBeam 软件
关于 TESCAN
新闻
联系我们
Tescan
/
应用
/
材料科学
/
木材,纺织品及纸张
木材,纺织品及纸张
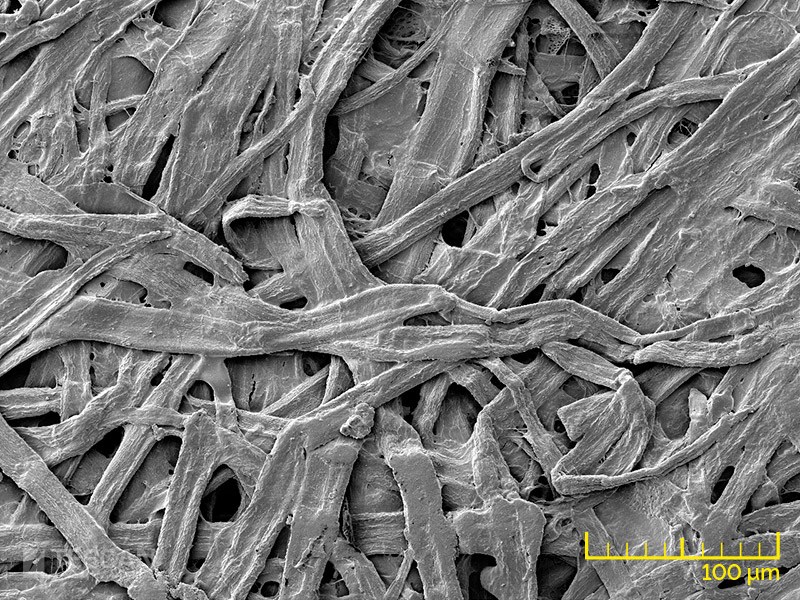
TESCAN 扫描电镜具有高分辨、大景深的特征,这些特征使其成为表征木材、织物以及纸张等不导电材料形貌的理想工具。
TESCAN 场发射扫描电镜为研究这类材料提供了最好的低加速电压分辨率。对于无法使用常规制备或镀导电膜的试样,TESCAN 具有可变真空模式和低真空二次电子探测器可供选择。
纺织品可以用各种各样的材料生产。这些材料可以是来源于动物的(如羊毛和蚕丝),可以是从植物或灌木中提取的(如棉花,亚麻或黄麻),可以是来源于矿物的(如玻璃,纤维和石棉),也可以是合成材料(如涤纶或尼龙)。
根据特定纤维的种类和厚度,可以制作成不同性能的纺织品。
纸是一种通过挤压诸如纤维素纸浆之类的纤维而制成的材料。纸在人们生活的方方面面都得到应用,比如包装、建筑工艺等等。
木材是一种在建筑和家具工业中用于结构建筑的有机材料。其他木制产品包括木料胶合板、木制结构板、夹板、刨花板和复合材料板。
羊绒纤维
如果您感兴趣,请联系我们!