亚细胞分析

亚细胞结构分析用于揭示组织或细胞表面以下的细节信息,也是透射电镜的主要研究领域之一。然而,由于一系列新技术的发展应用,扫描电镜在该领域的应用也变得更加广泛深入。TESCAN 为对生物样品亚细胞结构研究感兴趣的用户提供了多样化的解决方案。

  • TESCAN 电镜可在舱室中配置一个可拆卸的STEM 探测器这样扫描电镜就具有了低电压透射电镜的功能和用途,可用于观察亚细胞结构。
  • STEM 探测器观察所用的铜网完全兼容透射电镜常规使用的标准铜网。
  • 对样品进行连续切片并逐层成像采集,也是观察样品亚细胞结构的一个解决方案。连续切片可采用内置的超薄切片机或聚焦离子束来完成。
  • 通过对样品进行连续切片和三维重构处理,研究人员可直观地采用 3D 视频或动画数据进行观察分析。
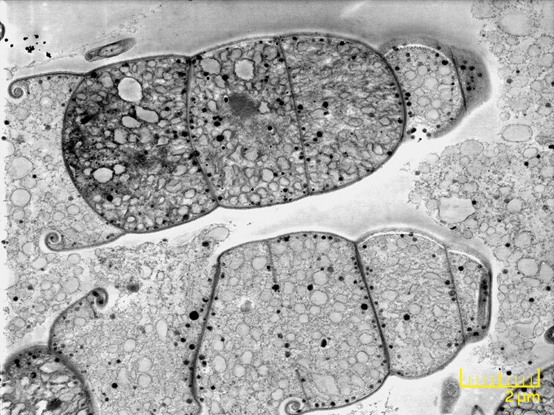
亚细胞分析
蓝藻 STEM 照片

相关应用案例

Low temperature scanning electron microscopy for Life Sciences
Low temperature scanning electron microscopy (Cryo-SEM) has become an established technique for capturing and observing biological samples close to their natural state. It is a method of choice, where the traditional sample preparation (e.g. critical point drying) causes unwanted changes in the sample structure. A Cryo-SEM workflow typically involves sample fixation using either flash-freezing in a liquid nitrogen slush or high-pressure freezing. The frozen samples are then transferred under vacuum to a cryo sputter coater, where they are coated with a conductive layer of metals or carbon. Finally, the samples are inserted into a SEM chamber equipped with a cryo-stage and observed in high vacuum environment.
pdf – 4.8 MB
High resolution analysis of thin foils using the STEM Detector with HADF
Performing scanning transmission electron microscopy (STEM) in a scanning electron microscope (SEM) is a popular technique for laboratories without transmission electron microscopy (TEM) capabilities. The new option for TESCAN STEM detector extends the imaging capabilities by simultaneous acquisition of multiple signals from transmitted and diffracted electrons including bright field, dark field and high angle dark field. The STEM analysis can be further supplemented with transmission EDX or EBSD microanalysis for receiving higher resolution, utilizing the available analytical techniques of the SEM.
pdf – 1.7 MB
STEM detector in life science applications
Scanning transmission electron microscopy (STEM) has become a highly effective, easy-to-use technique for imaging biological thin sections (lamellae) in SEM. Multiple sample observation, automated stage navigation, and ultra-high resolution imaging make this technique an attractive solution for high-contrast observation of TEM sections with excellent results, and minimal operator’s time.
pdf – 2.4 MB