Search for:
Toggle navigation
应用
材料科学
钢铁及合金
陶瓷及硬质涂层
玻璃
聚合物及复合材料
土木工程和建筑材料
木材,纺织品及纸张
生命科学
生物医学工程
细胞&组织形态学
微生物学
制药技术
植物和动物科学
亚细胞分析
环境和食品科学
半导体和微电子
集成电路的失效分析
线路修补
球栅阵列
硅通孔
引线焊接
显示器
微机电系统
电池
地球科学
岩石学 & 矿物学
古生物学
矿物加工
石油 & 天然气
废物回收
产品
SEM
TESCAN CLARA
TESCAN MAGNA
TESCAN MIRA
TESCAN VEGA
FIB-SEM
TESCAN SOLARIS
TESCAN SOLARIS X
TESCAN AMBER
TESCAN AMBER X
X 射线显微镜系统
CoreTOM
DynaTOM
UniTOM HR
定制化方案
TIMA-X 综合矿物分析仪
TESCAN SEM / FIB-SEM 集成拉曼一体化显微镜
自动进样系统
MIRA3 AMU
探测器
二次电子探测器
背散射电子探测器
电子束减速技术
电子背散射衍射
扫描透射探测器
阴极荧光探测器
低真空二次电子探测器
电子束感生电流
X 射线谱仪
二次离子探测器
飞行时间 - 二次离子质谱
附件
电脑控制的优中心样品台
控制面板
气体注入系统
等离子清洗器
帕尔贴制冷/加热样品台
束闸
样品交换仓
样品台导航相机系统
纳米机械手
电荷中和枪
摇摆样品台
XM 和 GM 型扩展样品仓
软件
DrawBeam 软件
关于 TESCAN
新闻
联系我们
Tescan
/
产品
/
探测器
/
低真空二次电子探测器
低真空二次电子探测器
LVSTD 是专为低真空设计的二次电子探测器,适于对电子束敏感的样品。
TESCAN 低真空二次电子探测器在晶体闪烁体 E-T 探测器的基础上进行了新的设计和开发,是专为低真空模式研发的独特解决方案,并获得专利。
突出特点
低真空条件下的纯二次电子成像
精细表面形貌的完美显示
不导电材料无需特殊处理即可高质量成像
低原子序数材料表面结构的精细成像
紧凑的探测器设计,适用于 TESCAN 任何机型的样品仓
新型 LVSTD 探测器
TESCAN 开发了两款新型 LVSTD 探测器,一款可在高达 1000 pa 真空度下工作,另一款作为 VEGA 机型的选配项可扩展到 2000 pa 工作。
优势和特点:
改良抽真空系统后,LVSTD 可以在 1000 pa 低真空模式下使用。LVSTD 探测器内部通过涡轮分子泵保持独立的真空度,而通过机械泵进行预抽,也提高了探测器整体的抽气效率。
所有版本的 LVSTD 探测器采集信号的能力都得到了提升。
应用于 1000 Pa 的 LVSTD 探测器配合水蒸气注入系统使用,可以在零度以上的条件下观察含水样品的自然形貌。
低真空二次电子探测器
Versions of LVSTD detectors offered by TESCAN
LVSTD version
Condition
Vacuum
Microscope
LVSTD up to 500 Pa
N
2
up to 500 Pa
SEMs with low vacuum mode up to 500 Pa
LVSTD up to 1000 Pa (N
2
)
N
2
up to 1000 Pa
SEMs with extended low vacuum mode up to 2000 Pa
LVSTD up to 1000 Pa (Water Vapor)
water vapor or N
2
up to 1000 Pa
SEMs with extended low vacuum mode up to 2000 Pa and with Water Vapor option
相关应用案例
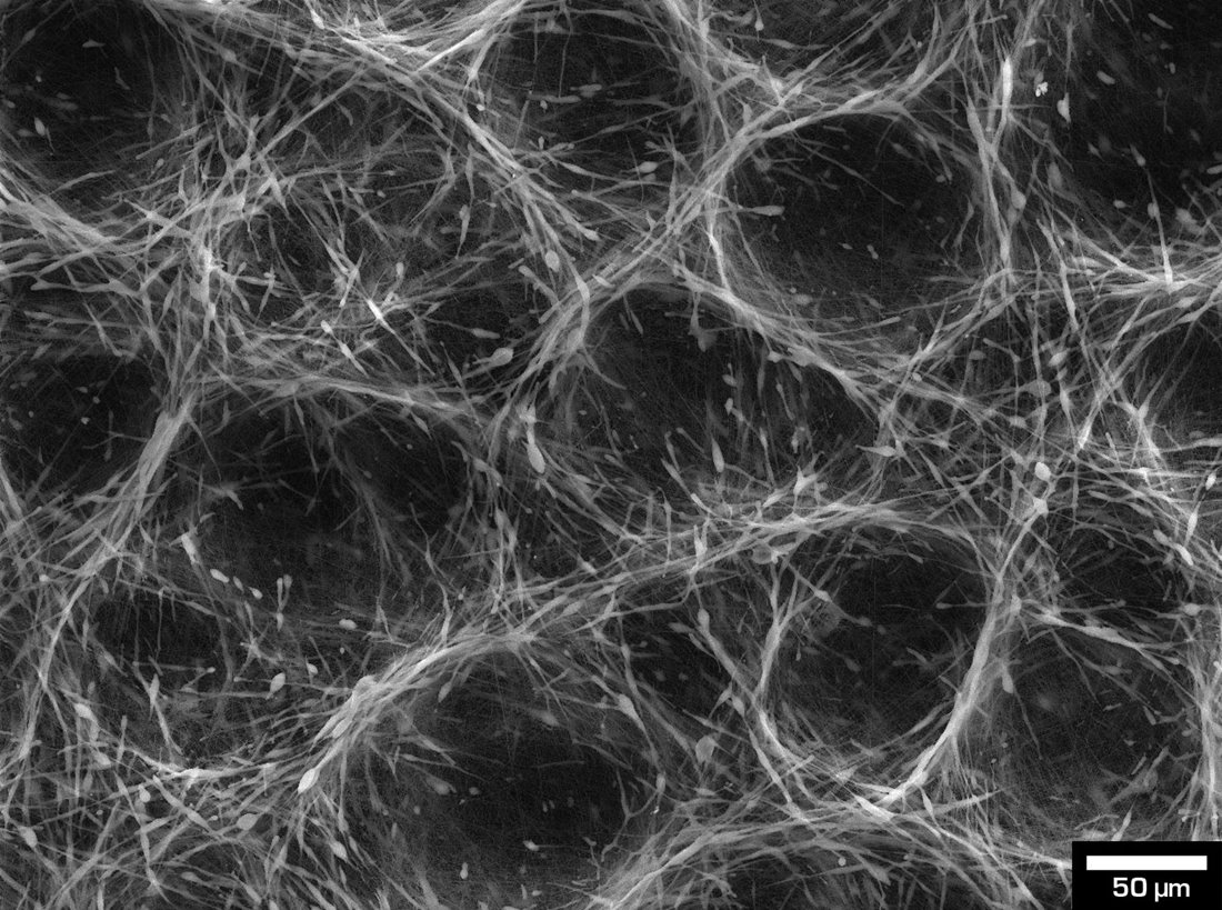
Investigation of cell spreading on bioceramic materials
In the field of current implantology, the conventional usage of titanium alloys is being replaced by ceramic materials. Bioceramics are made by sintering of the ceramic powders (e. g. zirconia or alumina powders) and they are characterized by excellent hardness and tribological properties. Zirconia ceramics are becoming prevalent among biomaterials used in dental implantology. The aim of this study was to investigate osteoblastic spreading in contact with various oxide ceramics. The spreading of the osteoblastic cells MG63 on the zirconia and alumina surfaces was observed using a MIRA3 FEG SEM in the low vacuum mode in order to evaluate the biocompatibility of these ceramic materials.
pdf – 3.4 MB
×
Download : Investigation of cell spreading on bioceramic materials
Email
*
Name
*
Surname
*
Market segment
- choose segment -
Materials Science
Life Sciences
Semiconductors
Earth Sciences
适用领域和机型
陶瓷及硬质涂层
材料科学
细胞&组织形态学
生命科学
玻璃
材料科学
聚合物及复合材料
材料科学
制药技术
生命科学
植物和动物科学
生命科学
土木工程和建筑材料
材料科学
木材,纺织品及纸张
材料科学
环境和食品科学
生命科学
TESCAN MIRA
SEM
TESCAN VEGA
SEM